
Estudo sobre a economia de energia elétrica obtida com a instalação de purgadores de ar
1. INTRODUÇÃO:
Os gases não condensáveis como o Ar e o CO2 são péssimos condutores de calor. No caso de sua presença num sistema de refrigeração, além de elevarem a pressão, fatalmente irão diminuir o coeficiente de transferência de calor como, por exemplo, nos condensadores evaporativos. Como conseqüência haverá uma diminuição na eficiência do sistema de refrigeração, resultando no aumento de trabalho dos compressores devido à compressão de amônia mais ar e, consequentemente, maior consumo de energia elétrica.
2. OBJETIVO:
Este estudo tem por objetivo demonstrar, através de dados coletados em campo e cálculos teóricos, a redução no consumo de energia elétrica que será obtido no sistema de refrigeração em função da instalação de purgadores automáticos de ar.
As leituras de Temperatura e Pressão em pontos específicos do trecho de alta pressão do sistema de refrigeração são fundamentais para demonstrar a existência ou não de incondensáveis (ar).
3. A NECESSIDADE DA PURGA AUTOMÁTICA:
Em média, a cada 0,55Kgf/cm2 de aumento na pressão de condensação, causada pela presença de ar, ocorre um aumento de até 4% nos gastos energéticos do compressor, além de reduzir em 2% a capacidade do compressor. Entretanto, neste frigorífico em Barretos, optamos por calcular com precisão estas perdas.
Como uma opção caseira, mas ineficiente e perigosa, adota-se a prática da purga manual, ficando totalmente a critério do operador o tempo em que a válvula permanece aberta purgando, como também a periodicidade de sua execução, o que em tese não garante a purga total do ar, nem elimina o desperdício com a fuga do gás amônia para o ambiente. Portanto, a utilização de um sistema de purga automático é extremamente recomendável por se tratar de uma solução segura e altamente eficaz, já que o sistema eletrônico do purgador otimiza a abertura das válvulas solenóides apenas dos pontos que realmente tem a presença de ar e porque a mistura gás amônia + ar, antes de ser descartada para o exterior, passa através de um selo líquido, condensando a amônia e liberando apenas o ar.
4. HISTÓRICO DO TRABALHO E METODOLOGIA APLICADA:
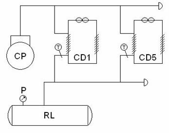
Iniciou-se o estudo com a visita técnica dos engenheiros Faria, da Frio Plus em Barretos acompanhados pelo supervisor da manutenção. Ficou estabelecido como ponto de partida, a necessidade de se obter as leituras de temperatura e pressão no trecho de saída do líquido dos condensadores e no reservatório de líquido, respectivamente. Assim, foram adaptados em forma de “poço”, 2 termômetros na saída dos condensadores evaporativos C1 e C5. A pressão foi lida diretamente de um manômetro aferido montado no Reservatório de Líquido (Fig. 1). Desta forma procedeu-se com a coleta de leituras horárias, durante 4 semanas, para cada um dos 3 pontos (Anexo 1).

Caso não houvesse a presença de ar, a pressão lida no manômetro e a pressão relativa à temperatura de saturação do líquido na saída do condensador seriam idênticas.
Os valores correspondentes à pressão de saturação da amônia foram tirados da “Tabela de Propriedades Termodinâmica do Gás R717” (Anexo 2).
5. DADOS MÉDIOS COLETADOS:
Para uma avaliação geral do sistema de refrigeração, foi calculada a média das leituras levantadas:

Concluímos que o sistema está operando com uma sobre-pressão de 1,1 bar relativa ao ar contido no sistema. Note que fomos conservadores, porque deve haver uma quantidade maior de ar presente no sistema, já que o maior diferencial de pressão surgiu no condensador 5 da Semco , que é o dobro do tamanho do da Madef..
6. DADOS DOS EQUIPAMENTOS EM ESTUDO:
Obs.: dados fornecidos pelo frigorífico localizado em Barretos


7. TEMPO MÉDIO DE FUNCIONAMENTO DOS COMPRESSORES (H):

Nota: o CP Nº 5 é reserva e permanece parado, por isso não foi considerado.
8. CUSTO MÉDIO DO KWH:
Obs.: dados extraídos da conta de setembro de energia elétrica do frigorífico em Barretos
Horário de Ponta: R$ 0,260473
Horário Fora: R$ 0,160828
Demanda de Ponta: R$ 26,399586
Demanda Fora: R$ 6,430125
Levando-se em conta o custo médio horário e desprezando-se o custo da demanda, teríamos: (0,260473 x 3 + 0,160828 x 21) / 24 = R$ 0,1733 / h
9. VARIAÇÃO DO CONSUMO ENERGÉTICO E CAPACIDADE FRIGORÍFICA DOS COMPRESSORES SE O AR FOSSE EXTRAÍDO:
Transformando-se o acréscimo de pressão 1,1 bar devido ao ar em diferencial de temperatura de condensação, teríamos, por exemplo, que se a pressão de condensação fosse + 36º C, com a extração do ar, cairia para + 33º C.
Baseado nesta tese obtivemos junto ao fabricante Mayekawa os seguintes dados:

11. CONCLUSÃO:
Tomando-se este resultado como referência de análise de viabilidade econômica de investimento, e considerando um custo médio para instalação do purgador, já incluído todas as válvulas solenóides e válvulas manuais de R$80.000,00 teremos um “pay back” de aproximadamente 7 meses, o que torna extremamente viável sua aquisição e instalação.
É importante lembrar que o valor de demanda de energia elétrica não foi considerado por não se conhecer com exatidão o tipo de contrato que o cliente tem com a concessionária e seu efetivo cálculo.
De qualquer forma sua consideração levaria a um resultado ainda melhor do EEL e conseqüentemente do tempo de retorno de investimento. Também não levamos em conta a economia operacional decorrente do prolongamento da vida útil dos equipamentos que passam a trabalhar menos sobrecarregados.






